康比電子roducts
國產晶振
臺產晶振
進口晶振
- 日本大真空晶振
- 愛普生晶振
- 精工晶振
- 西鐵城晶振
- 村田晶振
- 進口KSS晶振
- NDK晶振
- 大河石英晶振
- 美國CTS晶振
- 微晶晶振
- Abracon晶振
- ECS晶振
- Golledge晶振
- IDT晶振
- Jauch晶振
- Pletronics晶振
- 拉隆晶振
- SiTime晶振
- Statek晶振
- 格林雷晶振
- 康納溫菲爾德晶振
- 日蝕晶振
- 瑞康晶振
- 維管晶振
- AEK晶振
- AEL晶振
- Cardinal晶振
- Crystek晶振
- Euroquartz晶振
- FOX晶振
- Frequency晶振
- Geyer晶振
- KVG晶振
- ILSI晶振
- MERCURY晶振
- MMDCOMP晶振
- MtronPTI晶振
- QANTEK晶振
- QuartzCom晶振
- Quarztechnik晶振
- Suntsu晶振
- Transko晶振
- Wi2Wi晶振
- Fujicom晶振
- Interquip晶振
- ITTI晶振
- Lihom晶振
- MTI晶振
- NAKA晶振
- Oscilent晶振
- PDI晶振
- Rubyquartz晶振
- Shinsung晶振
- SMI晶振
- CTECH晶振
- IQD晶振
- Microchip晶振
- NJR晶振
- Silicon晶振
- Anderson晶振
- Fortiming晶振
- CORE晶振
- NIPPON晶振
- NICKC晶振
- QVS晶振
- Bomar晶振
- Bliley晶振
- GED晶振
- FILTRONETICS晶振
- STD晶振
- Q-Tech晶振
- Wenzel晶振
- NEL晶振
- EM晶振
- PETERMANN晶振
- FCD-Tech晶振
- HEC晶振
- FMI晶振
- Macrobizes晶振
- AXTAL晶振
- Sunny晶振
- 瑞薩Renesas晶振
- SKYWORKS晶振
車載電子
數碼電子
智能家居
時計產品
無線網絡
智能穿戴
醫療器械
無人機
0755-27876201
常見問題
更多>>

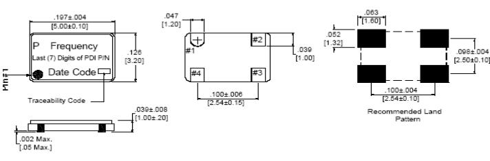
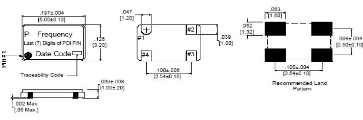
PDI晶振,OC5晶振,時鐘振蕩器,5032mm體積的石英晶體振蕩器,有源晶振,該產品可驅動2.5V的溫補晶振,壓控晶振,VC-TCXO晶體振蕩器產品,電源電壓的低電耗型,編帶包裝方式,可對應自動高速貼片機自動焊接,及IR回流焊接(無鉛對應),為無鉛產品,超小型,質地輕.產品被廣泛應用到集成電路,程控交換系統,無線發射基站.
美國PDI 頻率控制元器件, 主要致力于石英晶振, 濾波器等系列產品規格的銷售。頻率控制產品:Crystals 石英晶體, Filter 晶體濾波器, XO 晶體振蕩器, VCXO壓控晶振, TCXO 溫補晶振, OCXO 恒溫晶振, TC-OCXO 溫補恒溫晶振, XO SMD封裝系列, XO 引線式封裝系列, TCXO SMD封裝系列, TCXO 引線式封裝系列, OCXO 恒溫晶振, OCXO SMD 封裝系列, OCXO 引線式封裝系列, TCVCXO 溫補壓控晶振.
PDI晶振憑借優良且及時的服務和出色的品質,美國PDI晶振很快就在行業里打響了名頭,并且這么多年PDI晶振一直位于領先的地位,PDI Crystal擁有幾十家分銷商和銷售辦事處,足以說明PDI晶振發展日趨強大.
PDI Crystal在1989年已經是頻率控制設備的主要供貨商,主要致力于石英晶振,濾波器,PDI溫補晶振,VCXO壓控晶振等系列產品規格的銷售,PDI晶振的高質量及高性能被廣泛的使用.PDI晶振,OC5晶振,時鐘振蕩器.
.jpg)
| PARAMETER |
MINI- MUM |
MAXI- MUM |
UNITS |
| Center Frequency | 1 | 150 | MHz |
| Oscillation Mode (see note 4) | |||
| Supply Voltage | 2.5 | 5.0 | Voltage |
| Frequency Stability at +25°C (See Note 2) ± 50.0ppm Typ. | ppm | ||
| Frequency Stability Over Temperature 50.0ppm Typ. | ppm | ||
| Operating Temperature Range (See Note 2) | 0 to 70 | -55 to 125 | °C |
| Storage Temperature Range | -55 | 125 | °C |
| Drive Level 100uW | |||
| Seal Method Resistance Weld |
|
.jpg)
.jpg)

存儲事項
(1) 在更高或更低溫度或高濕度環境下長時間保存晶體產品時,會影響頻率穩定性或焊接性。請在正常溫度和濕度環境下保存這些晶體產品,并在開封后盡可能進行安裝,以免長期儲藏。
正常溫度和濕度:
溫度:+15°C 至 +35°C,濕度 25 % RH 至 85 % RH(請參閱“測試點JIS C 60068-1 / IEC 60068-1的標準條件”章節內容)。
(2) 請仔細處理內外盒與卷帶。外部壓力會導致卷帶受到損壞。
安裝時注意事項
耐焊性
加熱包裝材料至+150°C以上會破壞產品特性或損害產品。如需在+150°C以上焊接晶體產品,建議使用SMD產品。在下列回流條件下,對晶體產品甚至SMD產品使用更高溫度,會破壞產品特性。建議使用下列配置情況的回流條件。安裝這些產品之前,應檢查焊接溫度和時間。同時,在安裝條件更改的情況下,請再次進行檢查。如果需要焊接的石英晶體產品在下列配置條件下進行焊接,請聯系我們以獲取耐熱的相關信息。
(1)柱面式產品和DIP產品
型號 焊接條件
[ 柱面式 音叉晶振]
C-類型,C-2-類型,C-4-類型 +280°C或低于@最大值5 s
請勿加熱封裝材料超過+150°C
[ 柱面式 ]
CA-301
[ DIP ]
SG-51 / 531, SG-8002DB DC,
RTC-72421 / 7301DG +260°C或低于@最大值 10 s
請勿加熱封裝材料超過+150°C
(2)SMD晶振產品回流焊接條件(實例)
用于JEDEC J-STD-020D.01回流條件的耐熱可用性需個別判斷。請聯系我們以便獲取相關信息。
盡可能使溫度變化曲線保持平滑。PDI晶振,OC5晶振,時鐘振蕩器.
.jpg)
1、技術支持:全方位技術指導,專業的技術支持讓您感受到前所未有的后顧無憂.
2、客服咨詢:專業的銷售團隊,耐心為您解答任何疑問,讓您的消費得到保障.
3、質量保證,誠信為本,上我司以“以科技為動力,以質量求生存,”為理念.
4、提升業績,降低成本為您的產品量身訂制,免費取樣,為您做到低成本,高效率.

康比電子聯系方式:
Q Q: 577541227
電 話:0755-27876201
手 機: 13728742863
Email: kangbidz@163.com
網 址: http://m.dl-zp.cn/
地 址: 廣東省深圳市寶安區41區33棟6層









